Friday, October 28, 2011
YAMAHA R5C 350 ELECTRONIC DIAGRAM
YAMAHA R5C 350 ELECTRONIC DIAGRAM
It shows the connection between the parts such as the front flasher light, rear flasher light, flasher relay, battery, fuse, tail light, stop light, rear flasher light, rear stop switch, neutral switch, front stop switch, AC generator, coil, rectifier, regulator, horn, head light, tachometer, speedometer, high beam indicator light, rear flasher, front flasher, and many more.
Labels:
motorcycle,
RANGKAIAN SEPEDA MOTOR,
RANGKAIAN YAMAHA,
SEPEDA MOTOR,
SKEMA SEPEDA MOTOR,
YAMAHA,
YAMAHA CIRCUIT,
YAMAHA DIAGRAM,
YAMAHA SCHEMATIC
LMC7101 - LMC7101Q TINY AMPLIFIER WITH RAIL-TO-RAIL INPUT-OUTPUT ELECTRONIC DIAGRAM
LMC7101 - LMC7101Q TINY AMPLIFIER WITH RAIL-TO-RAIL INPUT-OUTPUT ELECTRONIC DIAGRAM
The performance is similar to a single amplifier of the LMC6482/LMC6484 type, with rail-to-rail input and output, high open loop gain, low distortion, and low supply currents. The main benefits of the Tiny package are most apparent in small portable electronic devices, such as mobile phones, pagers, notebook computers, personal digital assistants, and PCMCIA cards.
Labels:
AMPLIFIER,
LMC7101,
LMC7101 CIRCUIT,
LMC7101 DIAGRAM,
LMC7101 SCHEMATIC,
RANGKAIAN LMC7101,
SKEMA LMC7101
RESISTOR TO REDUCE L200 POWER DISSIPATION ELECTRONIC DIAGRAM
RESISTOR TO REDUCE L200 POWER DISSIPATION ELECTRONIC DIAGRAM
Instead of in series with the input, the resistor R can be connected between pins 1 and 2 of the IC if the load is constant. You can see this in the right figure. This will make some part of the load current flows through the resistor and the other part through the device.
Labels:
L200 DIAGRAM,
L200 SCHEMATIC,
RANGKAIAN L200,
RANGKAIAN RESISTOR,
RESISTOR,
RESISTOR CIRCUIT,
RESISTOR DIAGRAM,
RESISTOR SCHEMATIC,
SKEMA RESISTOR
Thursday, October 27, 2011
OPERATIONAL AMPLIFIER OP-AMP OSCILLATOR ELECTRONIC CIRCUIT
OPERATIONAL AMPLIFIER OP-AMP OSCILLATOR ELECTRONIC CIRCUIT
Timing capacitor (C1) produces several times constants which is used to allow large voltage swings on the input due to the LM101's large input voltage range. The R2 should be reduced and the C1 should be increased to keep from exceeding these ratings. The smaller polarized capacitors is still used by returning them to positive supply voltage instead of ground, even though C1 requires the large values.
SSL3250A PHOTO FLASH LED DRIVER ELECTRONIC DIAGRAM
SSL3250A PHOTO FLASH LED DRIVER ELECTRONIC DIAGRAM
These properties caused this device has long battery life and low power strain. Another features that this device has are protecting the battery and LED from overloading, trouble free operation such as overtemperature, over voltage, time-out function, undervoltage lockout, and feedback shorted protection.
Labels:
CAMERA CIRCUIT,
CAMERA DIAGRAM,
CAMERA SCHEMATIC,
LED,
PHOTO,
PHOTO CIRCUIT,
PHOTO DIAGRAM,
PHOTO SCHEMATIC,
RANGKAIAN FOTO,
RANGKAIAN KAMERA
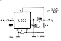
SOFT START MECHANISM FOR L200 VOLTAGE REGULATOR ELECTRONIC DIAGRAM
SOFT START MECHANISM FOR L200 VOLTAGE REGULATOR ELECTRONIC DIAGRAM
Ic (constant current) is charge capacitor C, where Ic = Vsc/R.
The output reaches its nominal value after the time ton. Vo-Vsc=(Ic.ton)/C.
ton=C.[(Vo-0.45)/0.45].R = CVoR/0.45.
Vo follows the voltage in pin 2 at less than 0.45 volt. It is because voltage of more than 0.45 V can’t be produced between pin 2 and pin 5.
Labels:
RANGKAIAN VOLTAGE REGULATOR,
REGULATOR,
VOLTAGE REGULATOR,
VOLTAGE REGULATOR CIRCUIT,
VOLTAGE REGULATOR DESIGN,
VOLTAGE REGULATOR DIAGRAM,
VOLTAGE REGULATOR GRAPHIC,
VOLTAGE REGULATOR SCHEMATIC
Wednesday, October 26, 2011
RING BELL ELECTRONIC CIRCUIT USING NE555 DIAGRAM
RING BELL ELECTRONIC CIRCUIT USING NE555 DIAGRAM
This circuit produces oscillating frequency around 1kHz, and able to be converted by changing the value of resistor R1. The speaker will produce a long beep sound with 1kHz frequency. Here is the schematic :
Parts list :
- Resistor R1 : 10k ohm
- Resistor R2 : 56k ohm
- Capacitor C1-C2 : 0.01 uF
- Polar capacitor C3 : 1 uF/15V
- IC timer : NE 555
- Speaker : 8 ohm 0.5 W
- ON/OFF switch
- 5-15V Power supply
Labels:
BELL,
BELL CIRCUIT,
BELL DIAGRAM,
BELL SCHEMATIC,
NE555,
NE555 CIRCUIT,
NE555 DIAGRAM,
NE555 SCHEMATIC,
RANGKAIAN BELL,
RANGKAIAN NE555,
SKEMA NE555
VOLTAGE REGULATOR MODULES (VRM) A SOLUTION FOR CPU CORE VOLTAGE ELECTRONIC CIRCUIT
VOLTAGE REGULATOR MODULES (VRM) A SOLUTION FOR CPU CORE VOLTAGE ELECTRONIC CIRCUIT
For each phase, the components on point (2) above which constitute all the power components are placed on a small plug-in board of 1.15? x 0.85? that delivers 40 Amps and receives the PWM TTL signal from the controller. This module has a footprint of about 0.85? x 0.25? of the motherboard space and may be placed anywhere on the board as close as possible to theCPU reducing the transmission impedance and losses and giving the Motherboard designer the flexibility to optimize the power and PCB space utilization. Each modular board may be fitted individually with its own heat sink.
Labels:
COMPUTER,
CPU,
PC,
RANGKAIAN VRM,
REGULATOR,
VRM,
VRM CIRCUIT,
VRM COMPUTER,
VRM DIAGRAM,
VRM SCHEMATIC
METAL DETECTOR USING BEAT FREQUENCY OSCILLATOR ELECTRONIC DIAGRAM
METAL DETECTOR USING BEAT FREQUENCY OSCILLATOR ELECTRONIC DIAGRAM
The NAND gates use CMOS 4011 chip, a low power component that is suitable for this battery-operated circuit. You can see that this chip is supplied by a 5V voltage coming from an LM7805L regulator. You might wonder what the purpose of this regulation is, since the power supply come from a 9V battery and the CMOS gates can handle the voltage of 3-15 Volt. The main purpose of the regulator is to keep a constant voltage source for the reference oscillator frequency stability, since the frequency is affected by the power supply voltage variation as the battery voltage drops in the long time of usage.
This circuit uses parts as follows :
- U1: CD4011
- U2: LM389
- U3: 78L05
- R1: 2.2k 5%
- P2: 4.7k lin.
- R3: 330k 5%
- R4: 270k 5%
- R5: 1k 5%
- C1: 390pF (NPO)
- C2,C3,C4: 10nF
- C5: 10uF 16v electrolytic
- C6,C8: 220 uF 16v electrolytic
- C7: 100uf 16v electrolytic
- C9: 100nF ceramic
- P1: 4.7k log
- L1: 22cm in diameter with 14 turns AWG 26
- K1: SPDT toggle switch
- J1= Headphone jack 1/4 or 1/8 inch
- Other parts: 9v battery connector, speaker or headphones
Labels:
DETECTOR,
METAL DETECTOR,
METAL DETECTOR CIRCUIT,
OSCILLATOR,
OSCILLATOR CIRCUIT,
OSCILLATOR DIAGRAM,
OSCILLATOR ELECTRONIC,
OSCILLATOR RANGKAIAN,
OSCILLATOR SCHEMATIC,
RANGKAIAN METAL DETECTOR
SCAN TOOL OBD-II INTREPRETER MODULE ELACTRONIC DIAGRAM
SCAN TOOL OBD-II INTREPRETER MODULE ELACTRONIC DIAGRAM
The interface is fully compatible with the popular ELM327 command set and supports all legislated OBD-II communication protocols, as well as the heavy-duty SAE J1939. It features automatic protocol detection, a large memory buffer, a UART interface capable of speeds of up to 10 Mbps, and a bootloader for easy firmware updates. The microOBD draws less than 1 mA in Standby mode, which makes it suitable for permanent in-vehicle installations. The host can force the module to enter the lowpower state by sending it an explicit “sleep” command or pulling the digital “host present” pin low. The module can also put itself in Standby automatically on UART inactivity or by sensing that the engine is off. Typical applications include diagnostic scan tools, code readers, data loggers, digital dashboards, fleet management, and vehicle tracking.
Labels:
MODULE CIRCUIT,
MODULE DIAGRAM,
MODULE SCHEMATIC,
RANGKAIAN MODULE,
SCAN,
SCAN CIRCUIT,
SCAN DIAGRAM,
SCAN SCHEMATIC,
SKEMA MODULE
SAFELY DISCHARGE X CAPACITORS ELECTRONIC DIAGRAM
SAFELY DISCHARGE X CAPACITORS ELECTRONIC DIAGRAM
When the AC voltage is disconnected, CAPZero automatically and safely discharges the X capacitor by closing the circuit through the bleed resistors and directing the energy away from the exposed AC plug. This approach provides engineers with total flexibility in their choice of the X capacitor used to optimize differential- mode EMI filtering without worrying about the effect of the required bleed resistors on system no-load and standby power budget. The innovative design inherently meets international safety standards for all open and short-circuit fault tests, allowing CAPZero to be used before or after the system input fuse. CAPZero is suitable for all AC-DC converters with X capacitors that require very low standby power. It’s offered with 825- or 1,000-V MOSFETs to support a variety of power supply design needs. It is ideal for a wide range of applications, including PCs, servers/workstations, monitors and TVs, printers and notebooks, and appliances requiring EuP Lot 6 compliance and adapters requiring ultra-low no-load consumption. CAPZero devices are available now in an SO-8 package at $0.40 each for 10,000- piece quantities. [www.powerint.com]
Labels:
CAPACITOR,
CAPACITOR CIRCUIT,
CAPACITOR DIAGRAM,
CAPACITOR ELEKTRONIK,
CAPACITOR SCHEMATIC,
CAPACITOR WIRING,
KAPASITOR,
RANGKAIAN CAPACITOR,
RANGKAIAN KAPASITOR
Wednesday, October 12, 2011
POWER CONVERTER TOPOLOGY ELECTRONIC CIRCUIT DIAGRAM
POWER CONVERTER TOPOLOGY and MOSFET SELECTION FOR 48-V TELECOM APLICATIONS ELECTRONIC CIRCUIT DIAGRAM
Output voltages are frequently 5V and below with 3.3V probably the most common requirement, and 2.5V gaining in popularity. If a processor is on the card, voltages as low as 1.3V are not unlikely. One common approach is to regulate a distributed power bus, say the 5V rail, and then use non-isolated DC/DC converters to generate lower voltages. With the tendency away from 5V, the 3.3V rail is beginning to serve as the distributed bus, although, from the power supply designer’s perspective, this is not the most of desirable situations.
Fairchild has recently introduced a family of high voltage MOSFETs ranging from 80- to 200-V drain voltage specifications. This application note will provide information helpful in the proper selection of FETs for primary side switches – available in various types of 48V power converters.
Labels:
CONVERTER,
CONVERTER CIRCUIT,
CONVERTER DIAGRAM,
CONVERTER SCHEMATIC,
MOSFET,
POWER CONVERTER,
RANGKAIAN CONVERTER
PHONE BROADCASTER ELECTRONIC CIRCUIT DIAGRAM
PHONE BROADCASTER ELECTRONIC CIRCUIT DIAGRAM
The automatic switching consists of resistors R1-R3, variable resistor VR1 as the regulator, transistor T1 and T2, zener diode D2, and diode D1. R1 and VR1 is useful as an input voltage divider from the telephone line.
Parts list :
- Resistor R1-R2, R4 : 47k ohm
- Resistor R3 : 100 ohm
- Resistor R5 : 22k ohm
- Resistor R6 : 1M ohm
- VR1 : 100k ohm
- Diode D1 : 1N4001
- Zener diode D2 : 24V, 400mA
- Capacitor C1 : o.o1 uF
- Capacitor C2 : 330 pF
- Trimmer C3 : 50p
- Capacitor C4 : 5.6 pF
- Capacitor C5 : 10 pF
- Transistor T1-T2 : BC548
- Transistor T3 : BF494
- Inductor L1 : 45rotation 36SWG in resistor carbon 1M 1W
- Inductor L2 : 3 rotation 21 SWG 12mm diameter
- Antenna
Labels:
HANDPHONE,
HANDPHONE CIRCUIT,
HANDPHONE DIAGRAM,
HANDPHONE SCHEMATIC,
PHONE,
RANGKAIAN HANDPHONE,
RANGKAIAN TELAPHONE,
TELAPHONE,
TELAPHONE CIRCUIT
Monday, October 10, 2011
MOUSE REPELLENT ELECTRONIC CIRCUIT DIAGRAM
MOUSE REPELLENT ELECTRONIC CIRCUIT DIAGRAM
When the circuit at its close state, the IC will control the buzzer time using the resistor and capacitor. The buzzer sounds like alarm in the different frequencies.
- Resistor R1 : 1.8k ohm
- Resistor R2 : 1k ohm
- Resistor R3 : 5.6k ohm
- Resistor R4 : 480 ohm
- Capacitor C1 : 2.2 nF
- Polar Capacitor C2 : 0.022uF/6V
- IC1 timer : NE555
- Speaker SP1 : Tweeter 8 ohm
- Power supply : 5V
Labels:
MOUSE,
MOUSE CIRCUIT,
MOUSE DIAGRAM,
MOUSE SCHEMATIC,
RANGKAIAN MOUSE,
RESISTOR,
SKEMA MOUSE
MOSQUITO REPELLENT ELECTRONIC CIRCUIT DIAGRAM
MOSQUITO REPELLENT ELECTRONIC CIRCUIT DIAGRAM
It uses IC CD4047 to control the buzzer timing utilizing resistor and capacitor. When the voltage passing through the transistor, the buzzer would sound.
Variable resistor R1 : 10K ohm
Polar capacitor C2 : 4.7 nF/16V
Capacitor C3 : 22uF
IC1 : CD4047
NPN transistor Q1-Q2 BC547
PNP transistor Q3-Q4 BC557
Buzzer K1 : Tweeter 8 ohm
Power supply : 12V
Labels:
MOSQUITO,
MOSQUITO CIRCUIT,
MOSQUITO DIAGRAM,
MOSQUITOSCHEMATIC,
RANGKAIAN MOSQUITO,
REPELLENT,
REPELLENT CIRCUIT,
SKEMA MOSQUITO
CAR EXTERIOR LIGHTS ELECTRONIC CIRCUIT DIAGRAM
CAR EXTERIOR LIGHTS ELECTRONIC CIRCUIT DIAGRAM
It shows the connection and wiring between each parts and component of exterior lights system of the vehicle such as the fusible link, junction block, tail light relay, cruise control, stop light switch, relay box, column switch, rear combination light, front combination light, license light, hazard light switch, turn-signal and hazard flasher unit, park/neutral position switch, back-up light switch, combination meter, and many more.
Labels:
CAR,
CAR LIGHTS,
CAR LIGHTS CIRCUIT,
CAR LIGHTS DIAGRAM,
LAMPU MOBIL,
RANGKAIAN MOBIL,
SKEMA MOBIL
MINI AUDIO AMPLIFIER ELECTRONIC CIRCUIT DIAGRAM
MINI AUDIO AMPLIFIER ELECTRONIC CIRCUIT DIAGRAM
The 8k2 across the 47u sets the emitter voltage on the BC 547 and this turns it on. The collector is directly connected to the base of a BC 557, called the driver transistor. Both these transistors are now turned on and the output of the BC 557 causes current to flow through the 1k and 470R resistors so that the voltage developed across each resistor turns on the two output transistors. The end result is mid-rail voltage on the join of the two emitters. The two most critical components are 8k2 between the emitter of the first transistor and 0v rail and the 470R resistor.
Thursday, October 6, 2011
LOW NOISE WHITE LED DRIVER SYSTEM ELECTRONIC DIAGRAM
LOW NOISE WHITE LED DRIVER SYSTEM ELECTRONIC DIAGRAM
The LM3570 evaluation board has a chip enable pin (active high logic) as well as a PWM (active high logic) pin which allows current sources to be turned on and off without completely disabling the part..The LM3570 is capable of supplying up to 80mA of current split between the regulated current sources and VOUT. The LM3570 comes in National’s LLP-14 package.
Labels:
LED,
LED SYSTEM,
LED SYSTEM CIRCUIT,
LED SYSTEM DIAGRAM,
LOW LED,
NOISE CIRCUIT,
NOISE DIAGRAM,
NOISE LED,
NOISE SCHEMATIC
LONG RANGE FM TRANSMITTER ELECTRONIC DIAGRAM
LONG RANGE FM TRANSMITTER ELECTRONIC DIAGRAM
This circuit works optimally by adding RF amplifier and antenna. Here is the schematic diagram :
Parts list :
- Diode D1 : BB109
- Resistor R1 : 10k ohm
- Resistor R2 : 100k ohm
- Resistor R3 : 180k ohm
- Resistor R4 : 4K7
- Resistor R5 : 15k ohm
- Resistor R6 : 68 ohm
- Resistor R7 : 470 ohm
- Resistor R8 : 39k ohm
- Resistor R9 : 10 ohm
- VR1 : 47k ohm
- VR2 : 22 ohm
- Capacitor C1-C3, C8 : 0.1 uF
- Capacitor C4 : 4.7 pF
- Capacitor C6 : 0.01 uF
- Capacitor C7 : 5.6 nF
- Capacitor C9 : 100 pF
- Transistor T1: BF494
- Transistor T2:2N3866
- Trimmer VC1-VC2 : 50p
- L1 : 4 round 20 cables SWG in plastic with 8mm diameter
- L2 : 2 round 24 cables SWG
- L3 : 7 round 24 cables SWG in plactic with 4mm diameter
- L4 : 7 round 24 cables SWG in ferrid bead
LM6142/LM6144 17 MHz RAIL-TO-RAIL INPUT-OUTPUT OP-AMP ELECTRONIC DIAGRAM
LM6142/LM6144 17 MHz RAIL-TO-RAIL INPUT-OUTPUT OP-AMP ELECTRONIC DIAGRAM
The topics discussed inside the application note including the general description, features, applications (such as battery operated instrumentation, depth sounders/fish finders, barcode scanners, wireless communications, rail-to-rail in-out instrumentation amps), connection diagrams, absolute maximum ratings, operating ratings, 5V DC electrical characteristics, 5V AC electrical characteristics, 2.7V AC/DC electrical characteristics, 24V electrical characteristics, typical performance characteristics, LM6142/LM6144 application ideas (enhanced slew rate, driving capacitive loads), typical applications (fish finder/depth sounder, analog to digital converter buffer, 3 op amp instrumentation amp with rail-to-rail input and output, spice macromodel),ordering information, physical dimensions, and many more.
Labels:
INPUT OP-AMP,
OP-AMP,
OP-AMP CIRCUIT,
OP-AMP DIAGRAM,
OP-AMP SCHEMATIC,
OUTPUT OP-AMP,
RAIL,
RAIL CIRCUIT
LM3433 4A to 20A LED DRIVER EVALUATION BOARD ELECTRONIC DIAGRAM
LM3433 4A to 20A LED DRIVER EVALUATION BOARD ELECTRONIC DIAGRAM
LM3433 is an adaptive constant on-time DC/DC buck constant current controller designed to drive a high brightness LEDs (HB LED) at high forward currents. It is a true current source that provides a constant current with constant ripple current regardless of the LED forward voltage drop. The board can accept an input voltage ranging from -9V to -14V w.r.t. GND. The output configuration allows the anodes of multiple LEDs to be tied directly to the ground referenced chassis for maximum heat sink efficacy when a negative input voltage is used.
Labels:
EVALUATION BOARD,
EVALUATION BOARD CIRCUIT,
EVALUATION BOARD SCHEMATIC,
LED,
LED DRIVER,
LED DRIVER CIRCUIT,
LED DRIVER DIAGRAM,
LED DRIVER SCHEMATIC,
RANGKAIAN LED DRIVER,
SKEMA LED DRIVER
Subscribe to:
Comments (Atom)














